運輸包裝用單瓦楞紙箱和雙瓦楞紙箱,瓦楞紙箱標準GB/T6543-2008。
前沿:
本標準參照JISZ1506《運輸包裝瓦楞紙箱》。
本標準代替 GB/T6543-1986《瓦楞紙箱》、GB/T5033-1985《出口產品包裝用瓦楞紙箱》。
本標準與GB/T6543-1986、GB/T5033-1985相比主要變化如下:
1:增加了規范性引用文件;
2:本標準將瓦楞紙箱分為兩類,取消了原標準的第3類規定。并重新給出了兩類瓦楞紙箱的適用說明及所對應的瓦楞紙板;
3:對于箱體連接所使用的粘合劑、扁絲等的要求進行了適當修改;
4:對箱體連接時的搭接寬度、缺陷要求等進行了適當修改;
5:取消了原標準中的耐沖擊強度試驗、抗轉載試驗等;
6:修改了壓力試驗的要求;
7:修改了原標準的檢驗規則的要求;
8:修改了包裝、標志、運輸和儲存的要求;
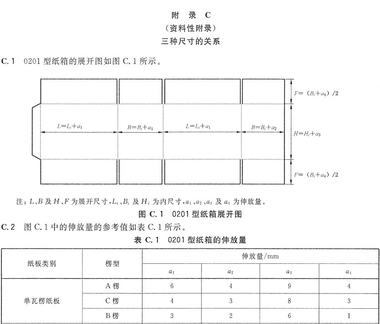
9:增加了附錄C三種尺寸的關系;
10:修改了附錄D瓦楞紙箱抗壓強度計算方法。
1:范圍
本標準規定了運輸包裝用單瓦楞紙箱和雙瓦楞紙箱(以下簡稱瓦楞紙箱)的分類、結構形式、要求、試驗與檢驗方法等。
本標準適用于瓦楞紙箱的設計、生產制造與檢驗,其他類型的瓦楞紙箱可參照本標準的有關規定。
2:規范性引用文件
下列文件的條款通過本標準的引用而成為本標準的條款,凡是注日期的引用文件,其隨后所有的修改單(不包括勘誤的內容)或修訂版均不適用于本標準,然而,鼓勵根據本標準達成協議的各方研究是否可使用這些文件的最新版本。凡是不注日期的引用文件,其最新版本適用于本標準。
GB/T191包裝儲運圖示標志(GB/T191-2008,ISO0780:1997,MOD)
GB/T2828.1-2003計數抽樣檢驗程序 第1部分:按接收質量限(AQL)檢索的逐批檢驗抽樣計劃(ISO2859.-1:1999,IDT)
GB/T4857.4包裝 運輸包裝件壓力試驗方法(GB/T4857.4—1992,EQV2872:1985)
GB/T4892硬質直方體運輸包裝尺寸系列
GB/T6544瓦楞紙板
3:分類
瓦楞紙箱按照所使用的瓦楞紙板的不同種類、內裝物的最大質量及綜合尺寸、預計的儲運流通環境條件等將其分為20種,如表1所示。
















前沿:
本標準參照JISZ1506《運輸包裝瓦楞紙箱》。
本標準代替 GB/T6543-1986《瓦楞紙箱》、GB/T5033-1985《出口產品包裝用瓦楞紙箱》。
本標準與GB/T6543-1986、GB/T5033-1985相比主要變化如下:
1:增加了規范性引用文件;
2:本標準將瓦楞紙箱分為兩類,取消了原標準的第3類規定。并重新給出了兩類瓦楞紙箱的適用說明及所對應的瓦楞紙板;
3:對于箱體連接所使用的粘合劑、扁絲等的要求進行了適當修改;
4:對箱體連接時的搭接寬度、缺陷要求等進行了適當修改;
5:取消了原標準中的耐沖擊強度試驗、抗轉載試驗等;
6:修改了壓力試驗的要求;
7:修改了原標準的檢驗規則的要求;
8:修改了包裝、標志、運輸和儲存的要求;
9:增加了附錄C三種尺寸的關系;
10:修改了附錄D瓦楞紙箱抗壓強度計算方法。
1:范圍
本標準規定了運輸包裝用單瓦楞紙箱和雙瓦楞紙箱(以下簡稱瓦楞紙箱)的分類、結構形式、要求、試驗與檢驗方法等。
本標準適用于瓦楞紙箱的設計、生產制造與檢驗,其他類型的瓦楞紙箱可參照本標準的有關規定。
2:規范性引用文件
下列文件的條款通過本標準的引用而成為本標準的條款,凡是注日期的引用文件,其隨后所有的修改單(不包括勘誤的內容)或修訂版均不適用于本標準,然而,鼓勵根據本標準達成協議的各方研究是否可使用這些文件的最新版本。凡是不注日期的引用文件,其最新版本適用于本標準。
GB/T191包裝儲運圖示標志(GB/T191-2008,ISO0780:1997,MOD)
GB/T2828.1-2003計數抽樣檢驗程序 第1部分:按接收質量限(AQL)檢索的逐批檢驗抽樣計劃(ISO2859.-1:1999,IDT)
GB/T4857.4包裝 運輸包裝件壓力試驗方法(GB/T4857.4—1992,EQV2872:1985)
GB/T4892硬質直方體運輸包裝尺寸系列
GB/T6544瓦楞紙板
3:分類
瓦楞紙箱按照所使用的瓦楞紙板的不同種類、內裝物的最大質量及綜合尺寸、預計的儲運流通環境條件等將其分為20種,如表1所示。
表1瓦楞紙箱的種類





















??
??
??